| Estado de Disponibilidad: | |
|---|---|
TR
Características del producto
* Estructura abierta y cerrada, fácil de instalar en el sitio y fácil de operar. Instalación o eliminación rápida y fácil sin desconectar el cable primario en prueba, efectivo para pruebas de corriente seguras y fáciles.
* Un límite de amplia cantidad y capacidad anti-saturación fuerte. Rango de corriente de entrada 0 ~ 600a.
* Propiedades retardantes de llama: Según UL94-V0.
* Clase de protección: IP66.
Aplicación del producto
Sistema de monitoreo eléctrico de incendio, sistema de monitoreo de energía de equipos de incendio, sistema de consumo de energía inteligente, cuadrícula inteligente de energía de bajo voltaje, sistema de conexión a tierra de corriente pequeña, protección de relé, sistema de protección del motor, etc. Para medir corriente, monitoreo y protección de líneas y equipos.
Descargar hoja de tallas
Transformador de corriente de núcleo dividido serie F.pdf
Parámetros del producto
Eléctrico actuación | Temperatura de funcionamiento | -40℃ ~ +70℃ | Humedad relativa | ≤90% |
Nivel de voltaje | 0.4/0.66/0.72kv | Rango lineal | 5%~ 120% | |
Corriente de entrada nominal | 0 ~ 600A | Frecuencia nominal | 50/60Hz | |
Carga nominal | ≤20Ω | Frecuencia de potencia Tensión soportada | 3kV AC/1min | |
Clase de precisión | 0.5 | Resistencia a aislamiento | ≥1000MΩ/500VCC | |
Mecánico estructura | Concha y esqueleto | PA/PC Clasificación de inflamabilidad 94-V0 | Método de salida | Cable de enchufe aéreo /vaina impermeable |
Material central | Acero al silicio/nanocristalino/permalloy | Caza de focas | Resina epoxídica | |
Estructura interna | Sello de silicona impermeable | Clase de protección | IP65 、 IP66 、 IP67 |
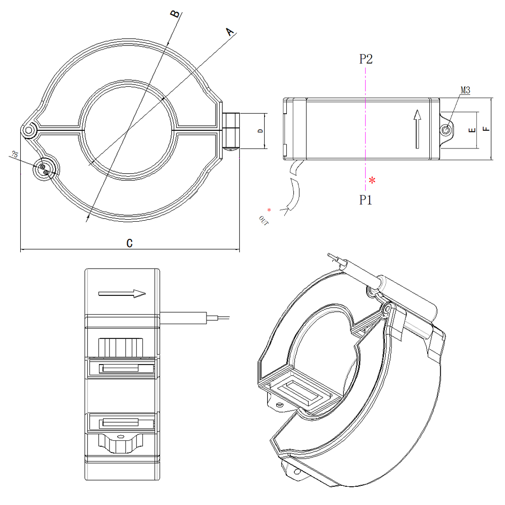
Valor típico y dimensiones
Modelo de producto | Entrada nominal | Salida nominal | Clase de precisión | Dimensiones (mm) | |||||
A | B | C | D | E | F | ||||
TRAKL-25W | 0 ~ 300a | 0 ~ 100mA | 0.3 0.5 0.5s | 25.0 | 60.0 | 75.0 | 14.5 | 19.0 | 30.5 |
TRSKL-25W | |||||||||
TRPKL-25W | |||||||||
TRAKL-35W | 0 ~ 600a | 35.0 | 73.5 | 88.0 | 14.5 | 19.0 | 32.0 | ||
TRAKL-35W | |||||||||
TRAKL-35W | |||||||||

Precretos de instalación
* Antes de cerrar el núcleo de acero al silicio, asegúrese de que el extremo de la incisión esté limpio, libre de manchas e impurezas; debe tratarse con un agente antioxidante.
* Use una llave torgue (eléctrica /neumática) cuando apriete los tornillos y coloque el par en un rango razonable.
Características del producto
* Estructura abierta y cerrada, fácil de instalar en el sitio y fácil de operar. Instalación o eliminación rápida y fácil sin desconectar el cable primario en prueba, efectivo para pruebas de corriente seguras y fáciles.
* Un límite de amplia cantidad y capacidad anti-saturación fuerte. Rango de corriente de entrada 0 ~ 600a.
* Propiedades retardantes de llama: Según UL94-V0.
* Clase de protección: IP66.
Aplicación del producto
Sistema de monitoreo eléctrico de incendio, sistema de monitoreo de energía de equipos de incendio, sistema de consumo de energía inteligente, cuadrícula inteligente de energía de bajo voltaje, sistema de conexión a tierra de corriente pequeña, protección de relé, sistema de protección del motor, etc. Para medir corriente, monitoreo y protección de líneas y equipos.
Descargar hoja de tallas
Transformador de corriente de núcleo dividido serie F.pdf
Parámetros del producto
Eléctrico actuación | Temperatura de funcionamiento | -40℃ ~ +70℃ | Humedad relativa | ≤90% |
Nivel de voltaje | 0.4/0.66/0.72kv | Rango lineal | 5%~ 120% | |
Corriente de entrada nominal | 0 ~ 600A | Frecuencia nominal | 50/60Hz | |
Carga nominal | ≤20Ω | Frecuencia de potencia Tensión soportada | 3kV AC/1min | |
Clase de precisión | 0.5 | Resistencia a aislamiento | ≥1000MΩ/500VCC | |
Mecánico estructura | Concha y esqueleto | PA/PC Clasificación de inflamabilidad 94-V0 | Método de salida | Cable de enchufe aéreo /vaina impermeable |
Material central | Acero al silicio/nanocristalino/permalloy | Caza de focas | Resina epoxídica | |
Estructura interna | Sello de silicona impermeable | Clase de protección | IP65 、 IP66 、 IP67 |
Valor típico y dimensiones
Modelo de producto | Entrada nominal | Salida nominal | Clase de precisión | Dimensiones (mm) | |||||
A | B | C | D | E | F | ||||
TRAKL-25W | 0 ~ 300a | 0 ~ 100mA | 0.3 0.5 0.5s | 25.0 | 60.0 | 75.0 | 14.5 | 19.0 | 30.5 |
TRSKL-25W | |||||||||
TRPKL-25W | |||||||||
TRAKL-35W | 0 ~ 600a | 35.0 | 73.5 | 88.0 | 14.5 | 19.0 | 32.0 | ||
TRAKL-35W | |||||||||
TRAKL-35W | |||||||||

Precretos de instalación
* Antes de cerrar el núcleo de acero al silicio, asegúrese de que el extremo de la incisión esté limpio, libre de manchas e impurezas; debe tratarse con un agente antioxidante.
* Use una llave torgue (eléctrica /neumática) cuando apriete los tornillos y coloque el par en un rango razonable.