| Estado de Disponibilidad: | |
|---|---|
TRJC1000-43A
TR
Descripción general del producto
Los sensores de corriente de alta precisión son dispositivos avanzados diseñados para medir corrientes de CA y CC con precisión y estabilidad excepcionales. Convierten la corriente en una señal eléctrica proporcional para un monitoreo, control y protección precisos. Utilizando tecnologías como el efecto Hall, fluxgate o métodos de flujo cero, estos sensores logran una alta linealidad, una baja desviación de compensación y una respuesta rápida. Se utilizan ampliamente en electrónica de potencia, sistemas de energía renovable, redes inteligentes, automatización industrial y vehículos eléctricos. Con una fuerte capacidad antiinterferencia, amplio ancho de banda y diseño compacto, los sensores de corriente de alta precisión garantizan un rendimiento confiable en aplicaciones exigentes que requieren una medición de corriente precisa y consistente.
Características del producto
* Pequeñas corrientes desalineadas.
* Linealidad superior.
* Alta resistencia al aislamiento.
* Pequeño error entre entrada y salida.
* Amplio ancho de banda de frecuencia.
* Velocidad de respuesta rápida.
* alta resolución.
* Deriva de baja temperatura.
Aplicación del producto
* Detección de nueva energía.
* Productos sustitutos del salón.
* Medida electrónica de potencia.
* Control y medición industrial.
* Centro médico .
* Estándar para pruebas de laboratorio.
* Tránsito automotor .
* Instrumento y medidor.
Parámetros del producto
Tipo | Símbolo | Condición de prueba | Mínimo | Calificado | Máximo | Unidad |
Rango de medición | I PM | - | ± 1000 | ± 1200 | ADC | |
Fuente de alimentación | V C | Gama completa | ± 14.5 | ± 15 | ± 15.5 | VDC |
Consumo actual | I C | Dentro de la gama I PM | ± 40 | ± 710 | ± 840 | mamá |
Relación | K n | Entrada: salida | 1500: 1 | - | ||
Corriente de salida nominal | Yo sn | Corriente calificada primaria | - | ± 666.7 | - | mamá |
Medición de resistencia | R m | Consulte Pic.1 | - | 1.5 | 3 | Ω |
Precisión | X E | 25 ± 10 ℃ | - | - | 0.02 | % |
Linealidad | ε L | - | - | - | 20 | PPM |
Coeficiente de deriva de temperatura | TCI Out | - | - | - | 0.1 | PPM/K |
Corriente de compensación cero | Yo o | 25 ± 10 ℃ | - | - | ± 5 | ua |
Corriente de compensación cero | Yo ot | Rango de temperatura de funcionamiento completo | - | - | ± 10 | ua |
Corriente de ondulación | En | DC-10Hz | - | - | 2 | ua |
Tiempo de respuesta dinámica | T R | 5% hasta 90%I PN | - | - | 1 | a nosotros |
DI/DT seguido con precisión | DI/DT | - | 200 | - | - | A/nosotros |
Ancho de banda de frecuencia (- 3 dB) | F | - | 0 | - | 100 | khz |
NOTA: La corriente nominal es corriente RMS al medir AC
Característica general
Tipo | Símbolo | Condición de prueba | Mínimo | Nominal | Máximo | Unidad |
Rango de temperatura de funcionamiento | T a | - | -40 | - | +85 | ℃ |
Rango de temperatura de almacenamiento | T S | - | -55 | - | +100 | ℃ |
Señal de indicación de estado de salida | - | Cuando la luz indicadora de estado de salida (LED verde) está encendida, significa que el producto funciona normalmente, y la corriente de entrada de la barra colectiva no excede su capacidad de carga; Cuando la luz del indicador de estado de salida está apagado, indica que el producto no funciona correctamente o que el valor de entrada de entrada de la barra colectiva está más allá de su capacidad. | ||||
Característica de seguridad
Tipo | Símbolo | Condición de prueba | Mínimo | Nominal | Máximo | Unidad | |
Resistencia de voltaje aislado | Entre lo primario y secundario | Enfermedad venérea | 50Hz, 1min | - | 2.5 | - | kV |
Tensión soportada de aislamiento transitorio | Entre lo primario y secundario | VW | 50US | - | 5 | - | kV |
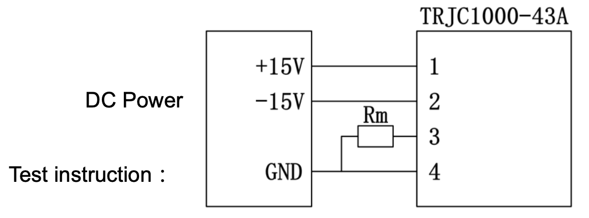
Conexión y descripción de la aplicación
Definición de pin
Terminal | 1 | 2 | 3 | 4 |
Definición | +15V | -15V | Iout | GND |

Midiendo la corriente de prueba IS que fluye a través de Rm, o el voltaje UR en ambos extremos de Rm, se puede obtener la corriente lateral IP original:

Estructura y dimensiones

Este producto es una pieza moldeada, material de PC, tolerancia de forma y dimensiones de acuerdo con GB/T14486-2008 MT6.
Tipo de salida terminal, conectado al terminal 2EDGKM3.81-4P.
Descripción general del producto
Los sensores de corriente de alta precisión son dispositivos avanzados diseñados para medir corrientes de CA y CC con precisión y estabilidad excepcionales. Convierten la corriente en una señal eléctrica proporcional para un monitoreo, control y protección precisos. Utilizando tecnologías como el efecto Hall, fluxgate o métodos de flujo cero, estos sensores logran una alta linealidad, una baja desviación de compensación y una respuesta rápida. Se utilizan ampliamente en electrónica de potencia, sistemas de energía renovable, redes inteligentes, automatización industrial y vehículos eléctricos. Con una fuerte capacidad antiinterferencia, amplio ancho de banda y diseño compacto, los sensores de corriente de alta precisión garantizan un rendimiento confiable en aplicaciones exigentes que requieren una medición de corriente precisa y consistente.
Características del producto
* Pequeñas corrientes desalineadas.
* Linealidad superior.
* Alta resistencia al aislamiento.
* Pequeño error entre entrada y salida.
* Amplio ancho de banda de frecuencia.
* Velocidad de respuesta rápida.
* alta resolución.
* Deriva de baja temperatura.
Aplicación del producto
* Detección de nueva energía.
* Productos sustitutos del salón.
* Medida electrónica de potencia.
* Control y medición industrial.
* Centro médico .
* Estándar para pruebas de laboratorio.
* Tránsito automotor .
* Instrumento y medidor.
Parámetros del producto
Tipo | Símbolo | Condición de prueba | Mínimo | Calificado | Máximo | Unidad |
Rango de medición | I PM | - | ± 1000 | ± 1200 | ADC | |
Fuente de alimentación | V C | Gama completa | ± 14.5 | ± 15 | ± 15.5 | VDC |
Consumo actual | I C | Dentro de la gama I PM | ± 40 | ± 710 | ± 840 | mamá |
Relación | K n | Entrada: salida | 1500: 1 | - | ||
Corriente de salida nominal | Yo sn | Corriente calificada primaria | - | ± 666.7 | - | mamá |
Medición de resistencia | R m | Consulte Pic.1 | - | 1.5 | 3 | Ω |
Precisión | X E | 25 ± 10 ℃ | - | - | 0.02 | % |
Linealidad | ε L | - | - | - | 20 | PPM |
Coeficiente de deriva de temperatura | TCI Out | - | - | - | 0.1 | PPM/K |
Corriente de compensación cero | Yo o | 25 ± 10 ℃ | - | - | ± 5 | ua |
Corriente de compensación cero | Yo ot | Rango de temperatura de funcionamiento completo | - | - | ± 10 | ua |
Corriente de ondulación | En | DC-10Hz | - | - | 2 | ua |
Tiempo de respuesta dinámica | T R | 5% hasta 90%I PN | - | - | 1 | a nosotros |
DI/DT seguido con precisión | DI/DT | - | 200 | - | - | A/nosotros |
Ancho de banda de frecuencia (- 3 dB) | F | - | 0 | - | 100 | khz |
NOTA: La corriente nominal es corriente RMS al medir AC
Característica general
Tipo | Símbolo | Condición de prueba | Mínimo | Nominal | Máximo | Unidad |
Rango de temperatura de funcionamiento | T a | - | -40 | - | +85 | ℃ |
Rango de temperatura de almacenamiento | T S | - | -55 | - | +100 | ℃ |
Señal de indicación de estado de salida | - | Cuando la luz indicadora de estado de salida (LED verde) está encendida, significa que el producto funciona normalmente, y la corriente de entrada de la barra colectiva no excede su capacidad de carga; Cuando la luz del indicador de estado de salida está apagado, indica que el producto no funciona correctamente o que el valor de entrada de entrada de la barra colectiva está más allá de su capacidad. | ||||
Característica de seguridad
Tipo | Símbolo | Condición de prueba | Mínimo | Nominal | Máximo | Unidad | |
Resistencia de voltaje aislado | Entre lo primario y secundario | Enfermedad venérea | 50Hz, 1min | - | 2.5 | - | kV |
Tensión soportada de aislamiento transitorio | Entre lo primario y secundario | VW | 50US | - | 5 | - | kV |
Conexión y descripción de la aplicación
Definición de pin
Terminal | 1 | 2 | 3 | 4 |
Definición | +15V | -15V | Iout | GND |

Midiendo la corriente de prueba IS que fluye a través de Rm, o el voltaje UR en ambos extremos de Rm, se puede obtener la corriente lateral IP original:

Estructura y dimensiones

Este producto es una pieza moldeada, material de PC, tolerancia de forma y dimensiones de acuerdo con GB/T14486-2008 MT6.
Tipo de salida terminal, conectado al terminal 2EDGKM3.81-4P.