| Estado de Disponibilidad: | |
|---|---|
TR2223-LBCD
TR
50000
T/T, Western Union, PayPal
Shanghai, China
Características del producto
* Excelente precisión, buena linealidad.
* Fuerte resistencia a interferencias externas, alta tasa de rechazo de modo común.
* Baja deriva de temperatura, bajo consumo de energía, amplia banda de frecuencia.
* Estructura perforada, sin pérdida de inserción.
Aplicación del producto
* Control Automático.
* Medidor de Medición.
* Sistema de Monitoreo Ferroviario.
* Sistema de Control de Estación.
Parámetros del producto
| Especificación | AC30A/DC20MA | AC50A/DC20MA | AC100A/DC20MA | I | |
|---|---|---|---|---|---|
| PN Corriente | de entrada nominal primaria (AC) | 30 | 50 | 100 | A |
| I P | Rango de medición primaria Rango de medición (AC) | 0 ~ 45 | 0 ~ 75 | 0 ~ 150 | A |
| v SN | SNE | DC 20 | mamá | ||
| SIN CORREDAD NETIVO CORROR | V | +5/12/15/24 | V | ||
| C LA VOLTAJE DE LA FUNCIÓN | DE | < 10+es | mamá | ||
| FUENTE I | C | Entre circuitos primarios y secundarios: 2.5kV/50Hz/1min | |||
| Corriente Voltaje | de | < 0.2 | %FS | ||
| aislamiento | T | Ta = 25 ℃: ≤ ± 0.5 | % | ||
| Voltaje 0 | L | Ta = 25 ℃: ≤ ± 50 | μA | ||
| Linealidad L | Linealidad | VP = 0 ta = -25 ~+75 ℃时: ≤ ± 0.01 | Ma/℃ | ||
| X Precisión | I | ≤300 | EM | ||
| Voltaje | de | -1dB 25 ~ 5K | Hz | ||
| voltaje IT | IT | -25 ~+75 | ℃ | ||
| IT IT | Temperatura de almacenamiento | -45 ~+85 | ℃ | ||
| R L | Resistencia de carga | Ta = 25 ℃: ≤300 | Ω | ||
Dimensiones de forma e instalación

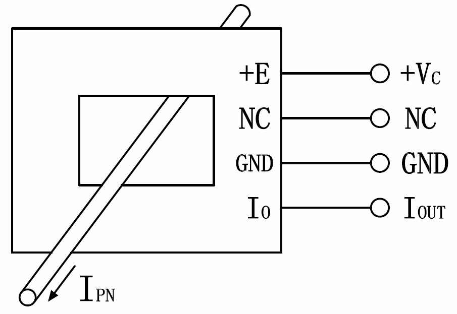
Diagrama de enlace de circuito

Nota:
GIN: Ajuste de amplitud
Precauciones de instalación
El sensor debe estar cableado correctamente; de lo contrario, podría dañar los componentes internos del sensor.
Instalación de rieles para tarjetas.
Características del producto
* Excelente precisión, buena linealidad.
* Fuerte resistencia a interferencias externas, alta tasa de rechazo de modo común.
* Baja deriva de temperatura, bajo consumo de energía, amplia banda de frecuencia.
* Estructura perforada, sin pérdida de inserción.
Aplicación del producto
* Control Automático.
* Medidor de Medición.
* Sistema de Monitoreo Ferroviario.
* Sistema de Control de Estación.
Parámetros del producto
| Especificación | AC30A/DC20MA | AC50A/DC20MA | AC100A/DC20MA | I | |
|---|---|---|---|---|---|
| PN Corriente | de entrada nominal primaria (AC) | 30 | 50 | 100 | A |
| I P | Rango de medición primaria Rango de medición (AC) | 0 ~ 45 | 0 ~ 75 | 0 ~ 150 | A |
| v SN | SNE | DC 20 | mamá | ||
| SIN CORREDAD NETIVO CORROR | V | +5/12/15/24 | V | ||
| C LA VOLTAJE DE LA FUNCIÓN | DE | < 10+es | mamá | ||
| FUENTE I | C | Entre circuitos primarios y secundarios: 2.5kV/50Hz/1min | |||
| Corriente Voltaje | de | < 0.2 | %FS | ||
| aislamiento | T | Ta = 25 ℃: ≤ ± 0.5 | % | ||
| Voltaje 0 | L | Ta = 25 ℃: ≤ ± 50 | μA | ||
| Linealidad L | Linealidad | VP = 0 ta = -25 ~+75 ℃时: ≤ ± 0.01 | Ma/℃ | ||
| X Precisión | I | ≤300 | EM | ||
| Voltaje | de | -1dB 25 ~ 5K | Hz | ||
| voltaje IT | IT | -25 ~+75 | ℃ | ||
| IT IT | Temperatura de almacenamiento | -45 ~+85 | ℃ | ||
| R L | Resistencia de carga | Ta = 25 ℃: ≤300 | Ω | ||
Dimensiones de forma e instalación

Diagrama de enlace de circuito

Nota:
GIN: Ajuste de amplitud
Precauciones de instalación
El sensor debe estar cableado correctamente; de lo contrario, podría dañar los componentes internos del sensor.
Instalación de rieles para tarjetas.